气动法兰截止阀
- 阀门型号:J641H,J641Y,J641W
- 通径规格:DN50~DN300
- 结构形式:直通
- 阀体材质:铸钢WCB、不锈钢304、不锈钢316
- 公称压力:PN16-PN160
- 适用温度:-29℃-550℃
- 应用范围:污水、环保、石油、化工、电力行业等
- 产品特点:阀门刚性好,通道流畅,密封可靠,性能优良,寿命长
气动法兰截止阀简介:
气动法兰截止阀J641H-16C主要由法兰截止阀与气动执行机构、气动控制元件、信号开关、(可配手轮机构)等相关部件连接而组成,是借助压缩空气来驱动的一种自动控制设备,由气源进入气动执行器带动气缸,连接阀杆阀芯阀瓣做升降运动。气动法兰截止阀阀体(阀瓣)与阀座密封面采用锥面密封,关闭力小,耐冲刷,密封可靠。阀座可为更换式阀座,可任意组合与关闭件密封面材料的配对,以满足工况要求,延长使用寿命。

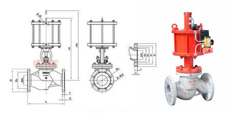
气动法兰截止阀结构图
气动截止阀执行机构:
法兰气动铸钢截止阀气动执行器一般为气动弹簧活塞式和气动气缸活塞式两种,前者为单作用弹簧复位式,后者为双作用气关气开式。气动法兰截止阀采用自密封工作原理,介质由阀瓣上方进入阀腔,在介质压力作用下,截止阀关闭力小,而开启力大,阀杆的直径可以相应地减少流体的冲击力。同时在介质压力作用下,这种形式的阀门也较严密。气动截止阀一般为全开和全关,不建议做节流和调节使用。
气动法兰截止阀技术参数:
公称通径 |
DN50~DN300 |
公称压力 |
PN1.6、2.5、4.0、6.4MPa |
控制方式 |
气动控制(气源驱动) |
连接形式 |
法兰式 |
压盖型式 |
螺栓压紧式 |
法兰标准 |
国标 |
工作温度 |
-29℃-550℃ |
使用范围 |
水、油品、蒸汽等介质 |
气动法兰截止阀原理:
气动截止阀利用压缩空气推动执行器内多组组合气动活塞运动,传力给横梁和内曲线轨道的特性,带动空芯主轴作旋转运动,压缩空气气盘输至各缸,改变进出气位置以改变主轴旋转方向,根据负载截止阀所需旋转扭矩的要求,可调整气缸组合数目,带动负载截止阀工作。
气动法兰截止阀设计标准:
设计与制造 |
GB/T12235 |
结构长度 |
GB/T12221 |
法兰尺寸 |
JB/T79 |
相关产品:电动法兰截止阀 不锈钢气动法兰截止阀 气动法兰高温截止阀