电动V型球阀
- 阀门型号:VQ947F,VQ947H
- 通径规格:DN25~DN300
- 结构形式:V型球芯
- 阀体材质:碳钢WCB、不锈钢304、316、316L等
- 公称压力:PN10、PN16、PN25、PN64
- 适用温度:-40℃~450℃
- 应用范围:油品、粘性流体、浆料、含纤维及粉粒状介质
- 产品特点:剪切功能,使用范围广,具有可靠的调节控制能力
电动V型球阀概述:
电动V型球阀是一种球芯为V型结构的高性能V型调节阀,它的V型开口可与阀座流道形成各种不同的V型角度,实现对管路介质各项参数的比例式精准调节。电动V型调节球阀关闭时,V型切口能够轻松切断管道内的各种纸浆或纤维等粘稠介质,有效保证管路的流通,又能防止球阀球芯卡死的现象。电动V型球阀调节流量有近似等百分比或者线性的流量特性,V型口角度可定制,满足更精确的截断特性和控制功能。

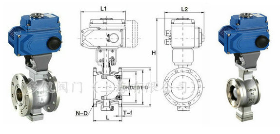
电动法兰V型球阀 电动对夹式V型球阀
电动V型球阀优点:
【电动V型球阀工作原理动态图】1、电动V型球阀的V型缺口球芯与金属阀座之间具有极佳的剪切功能,特别适用于含纤维质流体、微小固体颗粒、料浆类流体等介质的工业管道中做自控调节和切断控制。
2、电动V型调节阀可调范围较广,有近似等百分比或者线性的流量特性,还具有可靠的定位能力。
3、电动V型调节球阀特有的V型阀芯结构改善了传统球阀的控制性问题,使介质流量通过V型阀芯开口之间的开度得到了更精密的控制。
电动V型调节阀技术参数:
| 公称通径 | DN25~DN300(MM) |
| 公称压力 | PN1.0、1.6、2.5、6.4MPa |
| 连接形式 | 法兰、对夹式 |
| 阀芯结构 |
V型缺口阀芯 |
| 动作范围 | 0-90度 |
| 电源电压 | AC220V、AC380V、DC24V(其他可定制) |
| 密封材料 | 聚四氟乙烯、金属硬密封
|
| 开关时间 | 15-60秒(可根据要求定制) |
| 阀体材质 | 碳钢WCB、不锈钢304、316、316L等 |
| 适用温度 |
软密封:-29~+150℃ 硬密封:-150~+450℃ |
| 作用形式 | 开关型,调节型,整体型(可选防爆) |
电动V型球阀流道的截面形状及流量特性示意图:
电动V型球阀流量特性:
|
公称通径(mm) |
25 |
50 |
100 |
125 |
150 |
200 |
250 |
300 |
|
流量系数(Kv) |
30 |
90 |
387 |
600 |
965 |
1567 |
2400 |
3900 |
相关产品:气动V型球阀 电动O型调节球阀 电动O型切断球阀