免费全国空降app入口在哪里,同城100带吹电话,全国空降同城免费,怎么找到晚上接活女

  • 服务热线:021-51099973

电动调节阀

多仪阀门调节阀电动调节阀系列
电动三通调节阀

电动三通调节阀

  • 阀门型号:ZDLQ、ZDLX
  • 通径规格:合流阀:DN25~300mm 分流阀:DN80~300mm
  • 结构形式:三通铸造阀
  • 阀体材质:铸钢(WCB)、不锈钢(304、316、316L)
  • 公称压力:PN16、PN40、PN64
  • 适用温度:-17℃-450℃(具体见产品详情)
  • 应用范围:液体、气体、蒸汽、化工、石油、冶金、电站
  • 产品特点:一阀多用,动作灵敏、流量大、调节精度高
电子式电动三通调节阀概述:
 
ZDLQ/X电子式电动三通调节阀通常分为合流和分流两种形式,合流阀为两进一出,其作用是将两种流体汇合成第三种流体,分流阀为一进两出,将一种流体分成两路流体,从而达到流体混合升温或降温,或流体不等量分流,满足各种不同工况的使用要求。但合流、分流阀只能对应选用,当公称通径和压差较小时合流阀可用于分流场合,当公称通径DN≥80mm和压差较大的分流场合,只能使用分流阀。

电动三调节阀结构图
电子式电动三通调节阀特点:
 
电动三通调节阀常用于热交换器的两种介质调节,及简单的配比调节,可一台代替两台单座、双座调节阀使用,还可节省去安装管道、节省投资,占据空间小。采用3810系列或PSL系列直行程电动执行机构和三通调节阀体组成,以电源为动力,接受统一的标准信号0~10mA DC或4-20mA Dc驱使阀门开度与此操作信号相对应,达到对压力、流量、液位、温度等工参数的调节。

电子式电动三通调节阀参数:


阀体
形      式 三通铸造阀
公称通径 25. 32. 40. 50. 65. 80. 100. 125. 150. 200. 250. 300mm
公称压力 PN16、40、64bar
法兰标准 JB/T79.1-94、79.2-94等
材      料 铸钢( ZG230450)、不锈钢(ZGICr18Ni9Ti、ZGICr18Ni12M02Ti)等
上  阀  盖 标准型:-17-230℃  散热型:230-450℃  低温型:-60--196℃  波纹管密封型:-40-350℃
阀盖形式 螺栓压紧式
填      料 V型聚四氟乙烯填料、含浸聚四氰乙烯石棉填料、石棉纺织填料、石墨填料

阀内组件
阀芯型式 双导向双座套筒型阀芯
流量特性 等百分比特性和线性特性
材      料 不锈钢、不锈钢堆司太莱合金、钛和耐腐蚀台金等。

电动三通调节阀原理:【 查看       电动三通调节阀工作原理动态图 

分流阀

分流阀
合流阀

合流阀

电动三调节阀阀体为三通结构,即一进两出(分流型),两进一出(合流型),其中三通合流调节阀用于将两种流体混合成第三种流体,或两种不同温度的同种流体,混合成同一温度流体。而三通分流阀则是将一种流体分成两路流体。

电动三通调节阀执行机构:


主要技术参数 电源电压:220W50Hz输入信号:4-20mA或1-5V.DC输出信号:4-20mA.DC
防护等级:相当IP55 隔爆标志:Exd|| BT4 手操功能:手柄
环境温度:-25 +70℃ 环境湿度:≤95%

额定流量系数Kv、额定行程、配用执行机构型号、允许压差
公称通径DN(mm)   25 32 40 50 65 80 100 125 150 200 250 300
额定流量系数Kv 合流 8.5 12 21 34 53 85 135 210 340 535 800 1360
分流 - - - - - 85 135 210 340 535 800 1360
行程L (mm)   16 25 40 60 100
允许压差( bar)   DK2-310 DK2-310 DK2-410 DK2-410 DK2-510
配用执行机构型号   32 22 22 14 13.8 9.4 6.1 5.1 3.6 2 1.9 1.3

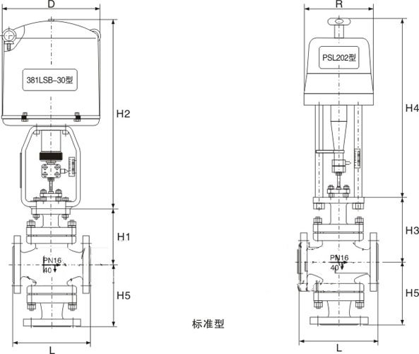
电子式电动三通调节阀尺寸:

电动三调节阀尺寸图
 
外形尺寸及重量     单位:mm
公称通径 25 32 40 50 65 80 100 125 150 200
L   185 220 222 250 275 300 350 410 450 550
D   255 255 255 255 255 255 255 310 310 310
R   177 177 177 177 177 177 177 226 226 226
H1   155 175 180 200 235 250 260 330 350 420
H2   373 495 495 495 700 700 700 725 725 725
H3   181 195 200 220 262 277 287 357 377 447
H4   459 459 459 459 520 520 520 570 570 570
H5   135 145 160 170 190 200 220 280 320 380
重量(KG) 13 17 19 20 38 50 60 84 87 110

相关产品: 气动薄膜三通调节阀

?