免费全国空降app入口在哪里,同城100带吹电话,全国空降同城免费,怎么找到晚上接活女

  • 服务热线:021-51099973

电动球阀

多仪阀门球阀电动球阀系列
电动保温球阀

电动保温球阀

  • 阀门型号:BQ941、BQ971
  • 通径规格:DN15~DN200mm
  • 结构形式:O型球阀
  • 阀体材质:铸钢WCB、不锈钢304、316、316L等
  • 公称压力:PN1.0、1.6、2.5MPa
  • 适用温度:-40℃-450℃
  • 应用范围:容易凝固的高粘度介质
  • 产品特点:具有良好的保温保冷特性
电动保温球阀概述:
 
电动保温球阀一般用于夹套内走加热/伴热介质的场合,防止物料结晶堵塞管道,特别是一些不经???,物料流动性不是很好的地方。电动保温球阀根据使用工况不同,夹套可以是冷凝水,用于因为过热而析出晶体,也可以用热水、蒸汽和导热油等做伴热用,其具有良好的保温保冷特性,常用于输送常温下会凝固的高粘度介质。
电动保温球阀种类
电动保温球阀应用:
 
电动保温球阀主要由带夹套球阀与(开关型、调节型)电动执行机构组成,用在需要保持一定温度,或者介质冷却容易堵塞阀门,伴热保温。比如液流的保温要求在135-145度,低于指标液流会冻结,如果阀门不用蒸汽夹套的话,会造成阀门无法操作。

电动保温球阀参数:


公称通径DN15~DN200(mm)
公称压力1.0、1.6、2.5MPa及以上
连接形式对夹、法兰
结构形式分体式、整体式
驱动形式电源驱动AC220V、AC380V、DC24V(其它特制)
动作范围0~90°
阀芯结构O型阀芯
阀体材质铸钢(WCB)、不锈钢(304、316、316L)
密封材料PTFE(聚四氟乙烯)、PPL(对位聚苯)、金属密封
使用介质易凝固介质
控制方式开关式、调节型、一体式

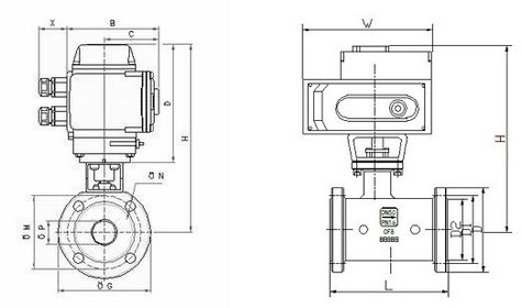
电动保温球阀结构图:
电动保温球阀结构图
 
电动保温球阀可选功能:

 可选功能
防爆功能防爆等级:Exd II BT4 
调节功能输入输出4-20mA、O- 5V.DC、0- 10V.DC
手动功能可装配手动装置,开阀、关阀功能

相关产品: 气动保温球阀


上一篇:电动低温球阀 下一篇:电动对夹式球阀
?