免费全国空降app入口在哪里,同城100带吹电话,全国空降同城免费,怎么找到晚上接活女

  • 服务热线:021-51099973

气动球阀

多仪阀门球阀气动球阀系列
气动保温球阀

气动保温球阀

  • 阀门型号:BQ641、BQ671
  • 通径规格:DN15~DN200mm
  • 结构形式:O型球芯
  • 阀体材质:碳钢WCB、不锈钢304、316、316L等
  • 公称压力:PN1.0、1.6、2.5MPa及以上
  • 适用温度:-40℃-450℃
  • 应用范围:容易凝固的高粘度介质
  • 产品特点:具有良好的保温保冷特性
气动保温球阀概述:
 
气动保温球阀特别适合用于容易凝固、及高粘度的液体介质,具有良好的保温保冷特性,防止物料结晶堵塞管道,尤其是一些不经常开关,物料流动性不是很好的场合。夹套保温气动球阀的通径与管径一致,同时又能有效降低管路中介质热量损失。 
气动保温球阀种类
气动保温球阀特点:
 
气动保温球阀根据使用工况不同,夹套可以是冷凝水,用于因为过热而析出晶体,也可以用热水、蒸汽和导热油做伴热用,其具有良好的保温保冷特性,常用于输送常温下会凝固的高粘度介质。

气动保温球阀参数:


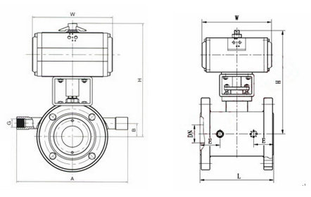
公称通径DN15~DN200(mm)
公称压力1.0、1.6、2.5MPa及以上
连接形式对夹、法兰
结构形式 法兰分体式、对夹整体式
驱动形式压缩空气4-7bar
动作范围0~90°
阀芯结构O型阀芯
阀体材质 碳钢WCB、不锈钢304、316、316L等
密封材料 PTFE(聚四氟乙烯)、PPL(对位聚苯)、金属密封
控制形式 开关型,调节型-可选防爆

气动保温球阀应用:
 
气动保温球阀用于需要保持一定温度,或者介质冷却容易堵塞阀门,伴热保温。比如液流的保温要求在135-145度,低于指标液流会冻结,如果阀门不用蒸汽夹套的话,会造成阀门无法操作,可用于石油、化工、冶金、制药、食品等各类系统中。
气动保温球阀结构图
气动保温球阀可选功能:

驱动方法压缩空气(可带手轮)
供气压力0.4-0.7mpa
气源接口G1/4"、G1/8"、G3/8"、G1/2"
环境温度-30~+70℃
作用形式
单作用(弹簧复位):气关式(B)--失气时阀位开(FO);气开式(K)--失气时阀位关(FC)
双作用(通气开关):气关式(B)--失气时阀不变(FL);气开式(K)--失气时阀不变(FL)
可选附件定位器、电磁阀、空气过滤减压器、保位阀、行程开关、阀位传送器、手轮机构等

相关产品: 电动保温球阀


上一篇:气动低温球阀 下一篇:气动对夹式球阀
?