免费全国空降app入口在哪里,同城100带吹电话,全国空降同城免费,怎么找到晚上接活女

  • 服务热线:021-51099973

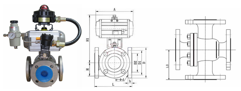
气动球阀

多仪阀门球阀气动球阀系列
气动四通球阀

气动四通球阀

  • 阀门型号:Q646F,Q646H
  • 通径规格:DN50~DN500
  • 结构形式:“LL”型四通
  • 阀体材质:碳钢WCB、不锈钢304、316、316L等
  • 公称压力:PN10、PN16、PN25、PN40
  • 适用温度:-40℃~450℃
  • 应用范围:液体、气体、油品、浆料及含固体颗粒介质
  • 产品特点:可同时切换两种介质的流向,实现一阀多用
气动四通球阀概述:
 
气动四通球阀可同时对两种介质的流向进行切换,替代了以前四个阀门的复杂操作,解除了所占空间大、成本高、操作烦琐等问题,实现一阀多用的效果。气动四通球阀为X形垂直通道,它的特点是球体的两条通道为X形布置,四个通道口径均布于球体赤道圆周截面上,当球体沿顺时针旋转90时,能使相对的两个通道实现两两互通。
 
气动四通球阀结构图

气动四通球阀特点:
 
气动四通球阀可实现正反供水切换,每转90度,供水方式切换一次,操作方便。在电站系统中称为双向供水转阀,在石化系统中也称空气换向切换阀,适用于液体、气体、粉尘、浆料及含固体颗粒介质的循环系统,如电站机组冷却器正反向循环供水系统。

公称通径DN15~DN200(mm)
公称压力PN1.6、2.5、4.0、6.4MPa
连接形式法兰式
结构形式“LL”型四通
驱动方式气源控制(压缩空气4-7bar)
使用温度-40℃~450℃
控制形式开关型(开关两位控制)、调节型(4~20mA信号)
阀体材质碳钢WCB、不锈钢304、316、316L等
密封材料PTFE(聚四氟乙烯)、PPL(对位聚苯)、金属密封(硬质合金)

气动四通球阀换向原理:
 
四通球阀换向原理图
 
“LL”型四通球阀只需操作板手或执行器将球体转动90°,同时对两种介质的流向进行切换,即方便而迅速,实现一阀多用的效果。

气动四通球阀可选功能:


驱动方式压缩空气(可带手轮)
供气压力0.4-0.7mpa
气源接口G1/4"、G1/8"、G3/8"、G1/2"
环境温度-30~+70℃
作用形式
单作用(弹簧复位):气关式(B)--失气时阀位开(FO);气开式(K)--失气时阀位关(FC)
双作用(通气开关):气关式(B)--失气时阀不变(FL);气开式(K)--失气时阀不变(FL)
可选附件定位器、电磁阀、空气过滤减压器、保位阀、行程开关、阀位传送器、手轮机构等

相关产品: 气动L型三通球阀      气动T型三通球阀      气动Y型三通球阀


上一篇:气动放料球阀 下一篇:气动固定式球阀
?