免费全国空降app入口在哪里,同城100带吹电话,全国空降同城免费,怎么找到晚上接活女

  • 服务热线:021-51099973

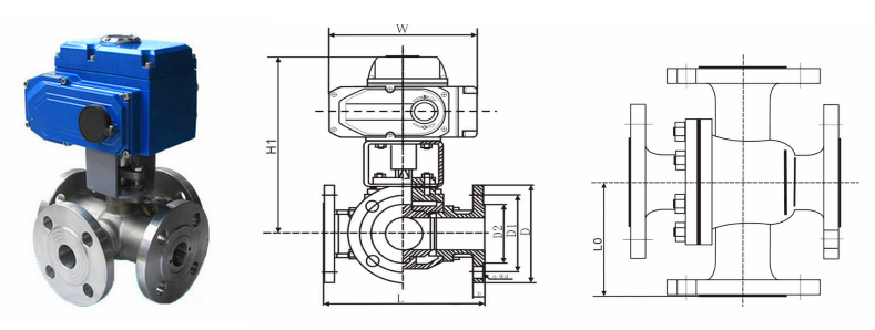
电动球阀

多仪阀门球阀电动球阀系列
电动四通球阀

电动四通球阀

  • 阀门型号:Q946F,Q946H
  • 通径规格:DN50~DN500
  • 结构形式:“LL”型四通
  • 阀体材质:碳钢WCB、不锈钢304、316、316L等
  • 公称压力:PN10、PN16、PN25、PN40
  • 适用温度:-40℃~450℃
  • 应用范围:液体、气体、油品、浆料及含固体颗粒介质
  • 产品特点:可同时切换两种介质的流向,实现一阀多用
电动四通球阀概述:
 
电动四通球阀是“X”型流道的四通四面座球阀,旋转90度可同时对两种介质的流向进行切换,即方便而迅速,实现一阀多用的效果。电动四通球阀替代了以前四个阀门的复杂操作,解除了所占空间大、成本高、操作烦琐等问题,可实现正反供水切换,每旋转90度,供水方式即能切换一次,操作简单方便。
电动四通球阀结构图
 
电动四通球阀特点:
 
电动四通球阀球体的两条通道为X形布置,四个通道口径均布于球体赤道圆周截面上,当球体沿顺时针旋转90时,能使相对的两个通道实现两两互通。在电站系统中称为双向供水转阀(在石化系统中也称空气换向切换阀),适用于液体、气体、粉尘、浆料及含固体颗粒介质的循环系统,如电站机组冷却器正反向循环供水系统。

电动四通球阀参数:


公称通径DN15~DN200(mm)
公称压力PN1.6、2.5、4.0、6.4MPa
连接形式法兰
结构形式“LL”型四通
驱动方式电动控制(可带手动手轮)
使用温度-40℃~450℃
电源电压AC220V、AC380V、DC24(其他定制)
阀体材质碳钢WCB、不锈钢304、316、316L等
密封材料PTFE(聚四氟乙烯)、PPL(对位聚苯)、金属密封(硬质合金)

电动四通球阀换向原理:
四通球阀换向原理图

“LL”型四通球阀只需操作板手或执行器将球体转动90度,同时对两种介质的流向进行切换,即方便而迅速,实现一阀多用的效果。

电动四通球阀可选功能:


 可选功能
防爆功能防护等级:相当IP65(或IP67)、隔爆标志:ExdⅡBT4
调节功能输入输出4-20mA、O- 5V.DC、0- 10V.DC
手动功能可装配手动装置,开阀、关阀功能
控制形式开关型,调节型,整体型

相关产品: 电动三通球阀     电动Y型三通球阀   


上一篇:电动放料球阀 下一篇:电动固定式球阀
?