电动三通球阀
- 阀门型号:Q944F,Q945F,Q914F,Q915F
- 通径规格:法兰DN15~DN200,螺纹DN15-DN50
- 结构形式:三通L型、T型
- 阀体材质:碳钢WCB、不锈钢304、316、316L等
- 公称压力:PN16、PN25、PN40、PN64
- 适用温度:-40℃~450℃
- 应用范围:水,气体,蒸汽,燃气,油品、腐蚀性介质等
- 产品特点:一阀多用,既能换向也能分配、合流、分流,可用范围广
电动三通球阀概述:
电动三通球阀是一种可对三条管路介质进行换向、分流或合流的三通切换型调节球阀,一般有法兰或内螺纹连接方式,根据不同流向切换要求球芯可设计为L型和T型结构,从而实现对管道中流体各种不同组合的控制形式。电动三通球阀不仅能对两条相互垂直的通道进行切换或截断,也能关闭任一通道,使另外两个通道连通,灵活控制管路中介质的合流或分流。选用不同功能的执行装置,可满足不同工况的使用要求,广泛用于电力、环保、供水、蒸汽、机械设备等工业系统中作两位切断或比例式调节使用。

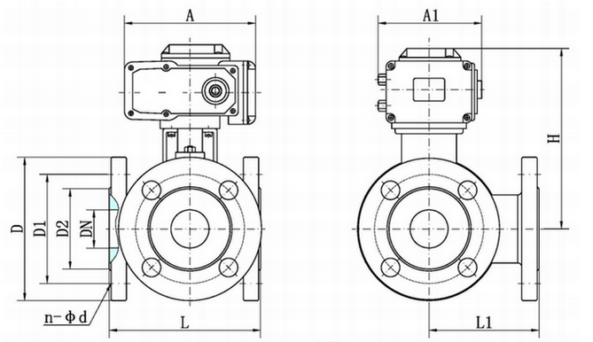
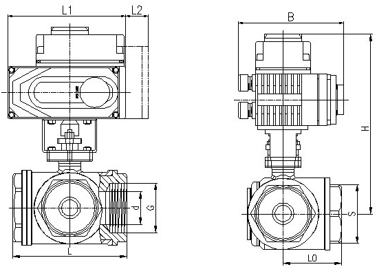
电动内螺纹三通球阀 电动法兰三通球阀
电动三通球阀优点:
1,电动三通球阀兼备开关切断和智能比例式调节功能,不仅可截断流体,也可以对压力,流量及温度等参数进行调整。
2,可用功能多,既能分配也能换向,适用于液休、气体、蒸汽等介质的配比调节与控制。
3,可用范围广,一阀多用,任一通口可用作入口而无泄漏,三通既可制成L型通口,也可制成T型通口。
4,可分为电动法兰三通球阀和电动内螺纹三通球阀,满足不同工况里管道的连接。
电动三通球阀技术参数:
|
公称通径
|
DN15~DN200(mm)
|
|
公称压力
|
PN1.6、2.5、4.0、6.4MPa
|
|
连接形式
|
法兰式、螺纹
|
|
阀芯形式
|
O型球芯
|
|
驱动方式
|
电源驱动
|
|
结构形式
|
三通L型、T型
|
|
电源电压
|
AC220V、AC380V、DC24V(其他定制)
|
|
阀体材质
|
碳钢WCB、不锈钢304、316、316L等
|
|
球芯材质
|
不锈钢304、316、316L
|
|
开关时间
|
15-60秒(可定制快开)
|
|
适用温度
|
-40℃~450℃
|
|
执行机构
|
开关型、调节型(4~20mA等)、整体型-可选防爆
|
T型三通球阀可以使三个通道互相连通或使其中两个通道连通,起分流或合流作用,电动三通球阀一般采用两个阀座结构,亦可根据用户要求采用四阀座结构。