免费全国空降app入口在哪里,同城100带吹电话,全国空降同城免费,怎么找到晚上接活女

  • 服务热线:021-51099973

球阀知识

球阀的安装及维修方法

时间:2015-10-11 10:45:01   来源:多仪阀门   点击:0
球阀安装:
 
1、必须确认管路和阀操作前已经清洗过了。
2、阀门的执行机构操作根据输入信号的大小带动阀杆旋转完成:正向旋转1/4圈(900)时,阀关断。反向旋转1/4圈(900)时,阀开启。
3、当执行机构方向指示箭头与管线平行时,阀门打开;箭头与管线垂直时,阀门关闭。
 
球阀维修:

有更长的使用寿命和免维护时间,将取决于几个因素:正常的工作条件下,保持和谐的温度/压力比,以及合理的腐蚀数据

注意:球阀在关闭状态下,阀体内的流体压力依然存在
 
维修前,拆下管线压力并使阀门处于打开位置
维修前,断开电源或气源
维修前,将执行机构与支架脱离
 
1、填料锁紧
如果填料涵处在微漏馅时,须锁紧阀杆螺母。
注意:不要锁紧,通常要锁定1 / 4环至1环,泄漏将停止。
 
2、更换阀座和密封件
A、拆卸
 
让阀处于半开位置,冲洗阀内外可能存在的危险物质。
关闭球阀,拆除两侧法兰的螺栓和螺母,并从管道彻底移除阀门。
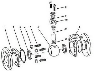
球阀的结构图
依序拆卸驱动装置-执行机构、连接支架、防松垫圈、阀杆螺母、蝶形弹片、格南、耐磨片、阀杆填料。
拆卸体盖连接螺栓和螺母,阀盖与阀体分离,并拆下阀盖垫片。
确认阀球在“关断”位置,这可以将其较容易的从阀体拿出,然后拆下阀座。
由阀体中孔向下轻推阀杆直到完全取出,然后取出O型圈及填料环。
注意:请谨慎操作,以避免划伤阀杆表面和阀门的填料密封。
 
B、重新组装
 
清洗和检查被查下的零件的部分,强烈推荐用备用零件包更换阀座和阀盖垫片和密封件。
按拆装顺序相反进行组装。
用规定的扭矩,交叉锁紧法兰螺栓。
用规定的扭矩,锁紧螺母。
安装执行机构后,通过旋转阀杆带动阀芯旋转相应的输入信号,使阀门至开启和关闭的位置。
如果可能的话,在安装管道后,根据标准对阀门的密封压力测试和性能测试。
 
球阀安装组图

相关知识:球阀的作用   球阀的工作原理  

?