电动开关蝶阀
- 阀门型号:D971X,D941X,D973H,D943H
- 通径规格:DN50~DN1200mm
- 结构形式:中线式,三偏心
- 阀体材质:铸铁、碳钢、不锈钢304、316、316L等
- 公称压力:PN6、PN10、PN16、PN25、PN40
- 适用温度:-40℃~450℃
- 应用范围:气体、水、油品、蒸汽、腐蚀性流体
- 产品特点:开关及时到位,开关完成程度好,基本无误差
电动开关蝶阀简介:
电动开关蝶阀指的是该阀只有开启和关闭两个位置,即为全开和全关两种状态。该电动蝶阀在电控的情况下能达到全开或全关精确到位后自行停止,不能直接与管路系统的流量反馈装置进行精准互动调节流量。根据连接方式的不同,主要有法兰式电动开关型蝶阀和对夹式电动开关型蝶阀,选用不同的密封结构(软密封或金属硬密封)可对应使用在不同的介质,一般适用于两位开关控制的场合当中。

电动法兰开关蝶阀 电动对夹开关蝶阀 电动开关蝶阀特点:
1.电动开关蝶阀是依靠电动执行装置来控制蝶阀的开或关,电压AC220V(可选)。
2.依靠电力来带动阀门,减少人力手工操作,省时省力。
3.开关及时到位,开关完成程度好,基本无误差。
4.电动执行器带有手动装置,在停电或执行机构故障时可以进行手动操作,确保工况正常进行。

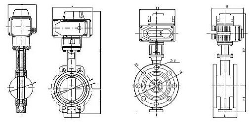
电动开关蝶阀结构图(对夹式) 电动开关蝶阀结构图(法兰式)电动开关蝶阀技术参数:公称通径 | DN50~DN1200mm |
公称压力 | PN0.6、1.0、1.6、2.5MPa |
连接方式 | 对夹式、法兰式 |
密封形式 | 软密封,金属密封 |
介质温度 | -20℃-450℃ |
动作方式 | 全开、全闭 |
操作范围 | 0~90度 |
适用介质 | 水、油品、气体、蒸汽、腐蚀性流体 |
一,开关型电动蝶阀的开启和关闭只有两个位置,要么阀门全开,要么阀门全关,不能用来做介质流量的调节控制。
二,调节型电动蝶阀可对管道中的介质流量、压力、温度等进行控制,其中三偏心密封阀芯设计能保证在半开状态下耐冲刷、耐气蚀。
电动开关蝶阀零件材料:阀体 | 铸铁、碳钢、不锈钢304、316、316L等 |
碟板 | 铸铁、碳钢、不锈钢304、316、316L等 |
密封圈 | 各种橡胶、聚四氟、不锈钢 |
阀杆 | 2Cr13、不锈钢 |
填料 | O型圈、柔性石墨 |
相关产品: 气动开关蝶阀