免费全国空降app入口在哪里,同城100带吹电话,全国空降同城免费,怎么找到晚上接活女

  • 服务热线:021-51099973

气动蝶阀

多仪阀门蝶阀气动蝶阀系列
气动切断蝶阀

气动切断蝶阀

  • 阀门型号:D671X,D641X,D673H,D643H
  • 通径规格:DN50~DN1200
  • 结构形式:中线式,双偏心,三偏心
  • 阀体材质:铸铁,碳钢,不锈钢等?
  • 公称压力:PN6、PN10、PN16、PN25、PN40
  • 适用温度:-40℃~450℃
  • 应用范围:气体、水、油品、蒸汽、腐蚀性流体
  • 产品特点:启闭速度非??欤视糜诳焖倏鼗蚪艏鼻卸系某『?/li>
气动开关蝶阀简介:
 
气动开关蝶阀(又称气动切断蝶阀)一般用于工业管道中对介质进行开关两位的快速切断控制,利用气源压力带动碟板做全开或者全开的动作。气动开关蝶阀根据作用形式一般可以分为常开型或者常闭型,即阀门在不工作的状态下为打开或者关闭,它可在没有气源、断电或者气路有故障的情况下自动复位到开启或关闭的状态。气动切断蝶阀的启闭速度非常快,特别适用于快速开关或紧急切断的场合。
1-160419192530539
    气动开关蝶阀(对夹式)                气动开关蝶阀(法兰式)
气动开关蝶阀应用:
 
气动开关蝶阀按连接方式分为法兰式和对夹式,按密封材质不同分为金属密封与软密封,可适用各种不同介质、不同温度及不同工况的场合当中,具有适应性极强,密封性能好,安装方便等优点。气动切断蝶阀可广泛应用于蒸汽、燃气、环保、石油、化工、污水等工业管道中作远距离集中控制或就地控制。
 
气动开关蝶阀优点:
 
1,气动切断蝶阀结构简单,且易于安装和拆卸、维修方便,适用范围广泛。
2,双向密封功能,可安装于任意方向,安装时不受介质流向和空间位置的影响。
3,气动切断蝶阀仅需旋转碟板90度即可完成开关动作,操作扭矩小、省力、且开关速度快。
4,单作用形式的执行机构,可有效防止工作中气源断掉或管路故障时,自动弹簧复位关闭或开启阀门。
5,气动切断蝶阀接收控制系统的开关量信号来精确控制阀门开关,从而达到对管路中的介质进行严密切断。

气动开关蝶阀标准规范:

设计标准:GB/T2238-1989
法兰连接尺寸:GB/T9113.1-2000;GB/T9115.1-2000
结构长度:GB/T12221-1989
压力试验:GB/T13927-2000;JB/T9092-1999

适用介质:空气、水、污水、蒸气、煤气、油品等
强度试验:0.9 1.5 2.4 3.75
密封试验:0.66 1.1 1.76 2.75
低压气密试验:0.5~0.7
适用温度:软密封:-29℃~180℃ 硬密封:-40℃~450℃
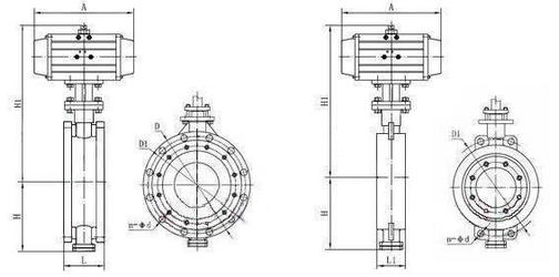
气动开关蝶阀结构图
      气动开关蝶阀(法兰式)                气动开关型蝶阀(对夹式)
 
气动开关蝶阀技术参数:

公称通径DN50~DN1200(mm)
压力等级PN0.6、1.0、1.6、2.5、4.0MPa
连接方式法兰、对夹式
动作范围0-90度
驱动方式气源驱动0.4~0.7MPa(可带手轮)
阀门材质铸铁,碳钢,不锈钢等
密封材质金属密封、四氟密封、橡胶密封
工作场合液体、蒸气、油品、腐蚀性介质等
控制方式开关切断、可选气开式或气关式
附件选项定位器、电磁阀、空气过滤减压器、保位阀、行程开关、阀位传送器、手轮机构等

相关产品: 电动开关蝶阀     气动调节蝶阀     气动通风蝶阀
 
上一篇:气动软密封蝶阀 下一篇:气动调节蝶阀
?