免费全国空降app入口在哪里,同城100带吹电话,全国空降同城免费,怎么找到晚上接活女

  • 服务热线:021-51099973

气动蝶阀

多仪阀门蝶阀气动蝶阀系列
气动软密封蝶阀

气动软密封蝶阀

  • 阀门型号:D671X,D641X,D671F,D641F
  • 通径规格:DN50~DN1200
  • 结构形式:中线型(对夹式,法兰)
  • 阀体材质:球墨铸铁、铸钢WCB、不锈钢304、316
  • 公称压力:PN6、PN10、PN16
  • 适用温度:-40℃~200℃
  • 应用范围:水、气体、油品、腐蚀性介质等
  • 产品特点:密封性能好,耐老化、耐腐蚀,使用寿命长
气动软密封蝶阀概述:
 
气动软密封蝶阀是一种防腐蚀性和密封性较好的中线型蝶阀,一般分为法兰或对夹式连接,可用于含有腐蚀性介质及泄露量要求较高的常温常压场合。气动软密封蝶阀采用密封结构,密封材料有橡胶、聚四氟乙烯等,泄露量可达到零泄露。由于结构特征的限制,气动软密封蝶阀不适用于高温、高压及抗磨损等行业,只适合在常温环境和低压、中压等场所做开关切断和调节流量使用。
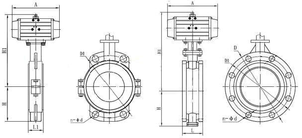
气动软密封蝶阀图片   
气动对夹式软密封蝶阀                                    气动法兰软密封蝶阀
气动软密封蝶阀参数说明:

公称通径DN50~DN1200(mm)
压力等级PN0.6、1.0、1.6MPa
连接方式对夹式、法兰式
结构形式中线型
驱动方式气源驱动,压缩空气5~7bar(可带手轮)
动作范围0~90°
密封材质各种橡胶、聚四氟乙烯
工作场合各种腐蚀性介质等(常温常压、低温低压场合)
附件选项定位器、电磁阀、空气过滤减压器、保位阀、行程开关、阀位传送器、手轮机构等
控制方式开关两位控制,气开、气关式、弹簧复位、调节型(4~20mA模拟量信号)

气动软密封蝶阀优点:
 
1、结构简洁,流阻系数小,流量特性趋于直线,不会滞留杂物。
2、蝶板与阀杆的连接采用无销钉结构,克服了有可能的内泄漏点。
3、分为气动对夹式软密封蝶阀和气动法兰软密封蝶阀,满足不同管道。
4、密封件可以更换,密封性能可靠达到双向密封零泄漏。
5、密封材料耐老化、耐腐蚀,使用寿命长。
气动软密封蝶阀结构图
气动对夹式软密封蝶阀结构           气动法兰软密封蝶阀结构
气动软密封蝶阀密封材料:

 

材料品种
氯丁橡胶
丁腈橡胶
乙丙橡胶
聚四氟乙烯
硅橡胶
氟橡胶
代号
X或 0rJ
XA或orJA
XB或orJB
xC、JC或0rF
XD或orJD
X E或orJE
耐最高温度
82℃
93℃
150℃
232℃
250℃
204℃
耐最低温度
-40℃
-40℃
-40℃
-268℃
-70℃
-23℃
适用工作温度
≤65℃
80℃
120℃
200℃
200℃
180℃

 

气动软密封蝶阀和气动硬密封蝶阀的区别:
 
1、软密封蝶阀多为中线型,硬密封多为单偏心、双偏心、三偏心蝶阀结构。
2、软密封用于常温环境。硬密封可用于低温、常温、高温等环境。
3、软密封使用于低压-常压,硬密封还可以使用于中高压。
4、软密封和三偏心硬密封蝶阀密封性能比较好,三偏心蝶阀在高压高温环境下可以保持良好的密封。
5、软密封蝶阀的优点是密封性能好,缺点是容易老化、磨损、使用寿命短。
6、硬密封蝶阀使用寿命长,但是密封性相对比软密封差。
上一篇:气动硬密封蝶阀 下一篇:气动切断蝶阀
?