气动衬氟蝶阀
- 阀门型号:D671F46,D641F46,D671F4,D641F4
- 通径规格:DN50~DN1200
- 结构形式:中线型,对夹式,法兰
- 阀体材质:碳钢,不锈钢304、316、316L等
- 公称压力:PN6、PN10、PN16
- 适用温度:-20℃~180℃
- 应用范围:弱腐蚀性流体及强酸介质等
- 产品特点:密封性能好,具有超强的耐腐蚀性和耐磨性
气动衬氟蝶阀简介:
气动衬氟蝶阀又称气动衬里防腐蝶阀,是在会与管道介质接触的过流部件(如阀体内壁、蝶板、阀座)衬上一层较厚的氟塑料,具有超强的耐腐蚀性和耐磨性。气动衬氟蝶阀阀座与碟板全部由PTFE制作而成,有效的保证阀轴等相关部件不被阀腔内的介质接触而腐蚀。气动衬氟蝶阀按连接方式不同分为气动对夹式衬氟蝶阀和气动法兰衬氟蝶阀,也可以根据工况要求选用开关型或调节型的执行装置,达到对管路介质的快速切断或比例式调节流量使用,可广泛应用于温度≤180℃的腐蚀性流体以及强酸强碱等介质的常温常压场合。

气动对夹式衬氟蝶阀 气动法兰衬氟蝶阀气动衬氟蝶阀应用:
气动衬氟蝶阀的密封结构根据使用工况可分为半衬氟蝶阀和全衬氟蝶阀,具有耐老化、防腐蚀、寿命长等优点,且密封性能可达到零泄露,是目前防腐设备理想的选择之一,特别适用于有腐蚀性或洁净度有一定要求工况的场所,广泛应用于任何浓度的酸、碱、强氧化剂及王水、各种有机酸、还原剂、有机溶剂等介质,但不适合用于介质温度及压力过高或带有颗粒状的工艺介质,一般超过一定的压力和温度,都建议使用金属密封材质的蝶阀。
气动衬氟蝶阀技术参数:公称通径 | DN50~DN1200(mm) |
压力等级 | PN0.6、1.0、1.6MPa |
连接方式 | 对夹式、法兰连接 |
驱动方式 | 压缩空气4-7bar,可选手轮 |
适用温度 | -20℃~180℃ |
阀体材质 | 碳钢,不锈钢304、316、316L等 |
密封结构 | 半衬、全衬氟密封 |
工作场合 | 弱腐蚀性流体及强酸介质等(常温常压、常温低压场合) |
附件选项 | 定位器、电磁阀、空气过滤减压器、保位阀、行程开关、阀位传送器、手轮机构等 |
控制方式 | 开关切断(开关两位控制)、调节型(定位器4~20mA模拟量信号) |
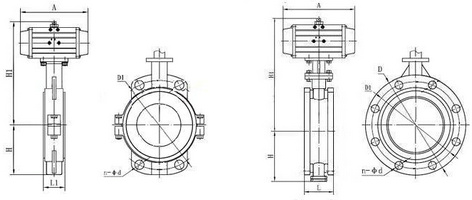
气动衬氟蝶阀材料及温度(℃): 1、聚全氟乙烯FEP (F46):-85~150 2、四氟乙烯-乙烯ETFE(F40):-80--220 3、可溶性四氟PFA( FA):-70~200 4、聚四氟乙烯PTFE(F4):-200~180 5、聚偏二氟乙烯PVDF(F2):-70~100 6、改性聚乙烯FRPE(PO):-58~80 不同材料适用于不同温度和不同介质 气动衬氟蝶阀性能特点: | 气动对夹式衬氟蝶阀结构图 气动法兰衬氟蝶阀结构图 |
1、气动防腐蝶阀操力矩小,操作方便,省力灵巧;
2、气动衬四氟蝶阀可以在任何位置安装,且维修方便;
3、气动防腐蝶阀密封件可以更换,根据工况不同选用半衬氟和全衬氟;
4、气动耐腐蚀蝶阀密封材料耐老化、耐腐蚀,使用寿命长,可用于弱腐蚀性流体及强酸介质等。
气动衬氟蝶阀性能规范:公称通径 | DN(mm) | 50~1200 |
公称压力 | PN(MPa) | 0.6 | 1.0 | 1.6 |
试验压力 | 强度试验 | 0.9 | 1.5 | 2.4 |
密封试验 | 0.66 | 1.1 | 1.76 |
气密封试验 | 0.6 | 0.6 | 0.6 |
作用形式 | 双作用、单作用常闭、单作用???/span> |
可选功能 | 电气部分可选防爆,可带手轮机构 |
相关产品: 电动衬氟蝶阀 气动衬氟球阀 气动衬氟截止阀