免费全国空降app入口在哪里,同城100带吹电话,全国空降同城免费,怎么找到晚上接活女

  • 服务热线:021-51099973

气动蝶阀

多仪阀门蝶阀气动蝶阀系列
气动衬胶蝶阀

气动衬胶蝶阀

  • 阀门型号:D671J-10,D641J-16Q/C/P
  • 通径规格:DN50~DN1200
  • 结构形式:中线式
  • 阀体材质:球墨铸铁、碳钢WCB、不锈钢304、316
  • 公称压力:PN6、PN10、PN16
  • 适用温度:-40℃~150℃
  • 应用范围:气体、水、油品、腐蚀性介质等
  • 产品特点:防腐、耐磨、无毒、防霉等特点,较好的密封性能
气动衬胶蝶阀概述:

 

气动衬胶蝶阀(气动橡胶环保防腐蝶阀)是指通过高温的方式将橡胶与蝶阀中的阀体硫化成一体,按连接方式一般分为法兰式与对夹式,并可根据不同工况的使用要求选择不同性能的密封结构(全衬胶蝶阀、半衬胶蝶阀),以满足在不一样的应用场所下保证气动衬胶蝶阀能够正常的使用。气动衬胶蝶阀不仅具有防腐、耐磨、无毒、防霉等特点,并且有较好的密封性能,随着化学防腐蚀合成橡胶在蝶阀上的应用, 衬胶气动蝶阀的使用量也一直在不断的提升。

气动衬胶蝶阀

               气动对夹式衬胶蝶阀

594623

                 气动法兰衬胶蝶阀


气动衬胶蝶阀应用范围:

 

衬胶气动蝶阀适用于各种不同类型工业管道中液体和气体(包括蒸气)等介质的输送,以及弱腐蚀性流体介质的使用工况当中,做开关两位控制或介质流量大小调节。工作温度一般不超过150℃,公称压力1.6MPa,广泛应用于食品、医药、化工、石油、电力、轻纺、造纸等场所。

 

气动衬胶蝶阀性能特点:

 

1、采用衬胶无销,保证了介质与金属完全隔离,提高了产品的可靠性。
2、密封面耐磨性好(橡胶耐磨性是铜的七倍)。
3、可以任何位置安装,维修方便。
4、密封件可以更换,密封性能可靠达到双向密封零泄漏。
5、橡胶材料无任何毒性,并且抗菌、抗霉,产品价格是不锈钢阀门的三分之一。
 
气动衬胶蝶阀技术参数:

公称通径DN50~DN1200(mm)
压力等级PN0.6、1.0、1.6MPa
连接方式对夹式、法兰连接
驱动方式气动控制(气源驱动,压缩空气)
适用温度各种橡胶:-20℃~150℃
泄露量符合标准(可达零泄露)
密封结构半衬胶密封、全衬胶密封
工作场合水、气体、油品及弱腐蚀性流体等(常温常压场合)
控制方式开关切断(气开气关),调节流量(4~20mA模拟量信号)


气动衬胶蝶阀标准规范:
 
设计制造标准:GB/T 12238-2008
结构长度标准:GB/T 12221-2005
连接法兰标准:GB/T 9113
压力温度等级:GB/T 12224-2005
试验检验标准:GB/T 13927-2008

气动衬胶蝶阀零件材料:
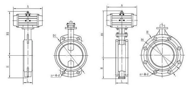
气动衬胶蝶阀结构图
    气动衬胶蝶阀(对夹式)            气动衬胶蝶阀(法兰式)

阀 体:铸铁、球墨铸铁、碳钢、不锈钢
蝶 板:铸铁、球墨铸铁、碳钢、不锈钢 完全包覆橡胶或氟塑料
阀 杆:碳钢镀镍磷、不锈钢
阀座密封圈:天然胶NR、氯丁胶CR、丁腈胶NBR、三元乙丙胶EPDM、氟橡胶FKM
密封圈使用温度:丁腈橡胶X≤80度; 耐磨橡胶X6150度; 氯丁橡胶120度; 氟橡胶X150度;

 

气动衬胶蝶阀性能规范:


公称通径DN(mm)50~1200
公称压力PN(MPa)0.61.01.6
试验压力强度试验0.91.52.4
密封试验0.661.11.76
气密封试验0.60.60.6
作用形式双作用(气开气关)、单作用(常闭、???/span>
可选附件定位器、电磁阀、空气过滤减压器、保位阀、行程开关、阀位传送器、手轮机构等

相关产品: 电动衬胶蝶阀    气动衬氟蝶阀    气动软密封蝶阀


上一篇:气动衬氟蝶阀 下一篇:气动三偏心蝶阀
?