气动真空蝶阀
- 阀门型号:GIQ高真空蝶阀
- 通径规格:DN50-DN400
- 结构形式:对夹式
- 阀体材质:不锈钢304、316、316L
- 公称压力:1.3×10-5Pa~3×105Pa
- 适用温度:丁腈橡胶-25~+80℃,氟橡胶-30~+150℃
- 应用范围:真空系统,空气及非腐蚀性气体
- 产品特点:密封性能好,能用于真空状态,也可在低压状态下使用
气动高真空蝶阀概述:
GIQ气动高真空蝶阀是指工作压力低于标准大气压,形成一定真空的阀门,是真空系统中用来调节气流量、切断和接通管路的元件,一般用于控制空气和非腐蚀性气体。气动真空蝶阀的阀板采用夹紧结构,把阀板的密封圈夹紧,泄露量为零,除了能用在真空状态下,也能在低压状态下使用。气动真空蝶阀以压缩空气为动力,带动碟板旋转来作启闭运动,从而达到对管路气流的接通或切断,分为双作用和单作用,单作用具有弹簧复位的作用,可在故障时自动复位。
气动高真空蝶阀特点:
1、轴承采用自润滑轴承,摩擦阻力小。
2、不必从管路上拆卸阀门即可更换蝶板密封圈。
3、该阀能对介质双向截止,实现可靠的密封,双向零泄漏。
4、轴封采用具有自动补偿的特殊结构,隔断外界大气与管道的连通,从而保证管道的真空度。
气动高真空蝶阀技术参数:适用范围(Pa) | 2x105~1.3x10-5 |
漏气率(Pa.L/S) | ≤1.3x10-6 |
驱动形式 | 压缩空气(4-7bar) |
介质温度(℃) | 丁腈橡胶-25 ~ +80,氟橡胶-30 ~ +150 |
法兰标准 | GB6070.3-85 |
安装位置 | 任意 |
作用形式 |
单作用式:气关式(B)--失气时阀位开(FO);气开式(K)--失气时阀位关(FC)
双作用式:气关式(B)--失气时阀位保持(FL);气开式(K)-- 失气时阀位保持(FL) |
控制方式 |
| 开关型(开关切断) |
---|
| 调节型(4-20mA信号调节流量大小) |
气动高真空蝶阀执行机构:执行器型号 | GT、AT、AW系列单双作用气动执行器 |
供气压力 | 0.4~0.7MPa |
气源接口 | G1/4"、G1/8"、G3/8"、G1/2" |
环境温度 | -30~+70℃ |
作用形式 | 单作用执行机构、双作用执行机构 |
可选附件 | 定位器、电磁阀、空气过滤减压器、保位阀、行程开关、阀位传送器、手轮机构等 |
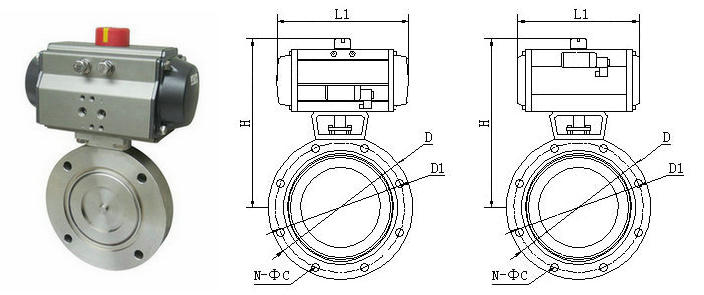
气动高真空蝶阀连接尺寸:公称通径(DN) | 50 | 63 | 80 | 100 | 125 | 150 | 200 | 250 | 300 | 400 |
连接尺寸 | A | 26 | 32 | 35 | 50 | 55 | 60 |
ΦD | 110 | 130 | 145 | 165 | 200 | 225 | 285 | 335 | 425 | 510 |
ΦB | 90 | 110 | 125 | 145 | 175 | 200 | 260 | 310 | 395 | 480 |
n-ΦC | 4-Φ9 | 8-Φ9 | 4-Φ12 | 12-Φ11 | 12-Φ14 | 16-Φ14 |
相关产品: 电动真空蝶阀