免费全国空降app入口在哪里,同城100带吹电话,全国空降同城免费,怎么找到晚上接活女

  • 服务热线:021-51099973

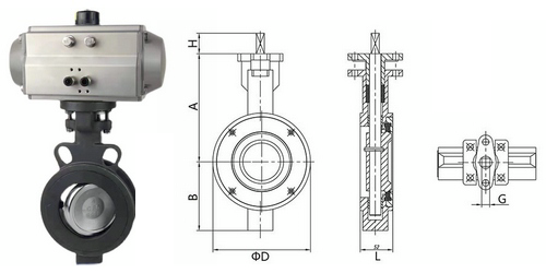
气动蝶阀

多仪阀门蝶阀气动蝶阀系列
气动高性能蝶阀

气动高性能蝶阀

  • 阀门型号:D672F,D642F
  • 通径规格:DN50~DN700
  • 结构形式:双偏心
  • 阀体材质:碳钢、不锈钢304、316、316L等
  • 公称压力:PN0.6、1.0、1.6、2.5、4.0MPa
  • 适用温度:-40℃-300℃
  • 应用范围:水,气体,液体,油品,蒸汽等
  • 产品特点:摩擦少,寿命长,密封性能好,品质较优
气动高性能蝶阀简介:

     

气动双偏心蝶阀也叫气动高性能蝶阀,其结构特征为在阀杆轴心既偏离蝶板中心、也偏离本体中心,使阀门被开启后蝶板能迅即脱离阀座、大幅度地消除了蝶板与阀座的不必要的过度挤压、刮擦现象、减轻了开启阻距、降低了磨损、提高了阀座寿命。阀座外面是活动的嵌件,法兰夹的越紧、压力越大密封性能越佳,配以单片挠性唇式密封座,适用于要求可靠密封和良好调节特性的场合。

气动高性能蝶阀
气动高性能蝶阀结构:

     

气动高性能蝶阀阀座使用PTFE和分子量的聚乙烯为材料,唇式结构设计,不管流体的方向如何,变形后能恢复到原来的位置与碟板保持密封。这种蝶阀的阀板密封面为球弧面体,密封机构通过系统压力达到一种真正的动态密封,因此有优良的切断性能和耐久性能。

     

气动高性能蝶阀技术参数:

公称通径DN50~DN700(MM)
公称压力PN0.6、1.0、1.6、2.5、4.0MPa
连接方式对夹、法兰、凸耳
驱动形式压缩空气0.4-0.7mpa
密封材质PTFE
动作范围0~90度
结构形式双偏心
阀体材质碳钢、不锈钢304、316、316L等
温度范围-40℃-300℃
控制形式开关型、调节型(???常闭)

气动高性能蝶阀优点:

     

1、单一的PTFE弹性阀座密封结构,通过系统压力达到动态密封,经久耐用,可靠性高;

2、不必使用附加的密封圈或金属部件即能保持可靠密封;

3、可操持双向的无泄漏密封;

4、唇缘式密封设计补偿了使用时温度和压力的变化;

5、在开启和处于中间位置时阀座与蝶板不发生接触。

6、维修方便只要取下压板就可更换阀座,不必拆卸碟板和轴。


气动高性能蝶阀原理说明:

电动高性能蝶阀

气动双偏心蝶阀是在中线结构的蝶阀基础上,做了两次偏心。第一处偏心是指阀杆轴偏离密封面中心,即阀杆轴在蝶板面的后面。这种偏心使蝶板和阀座的接触面都是密封面,从根本上克服了中线蝶阀存在的先天不足,从而杜绝了阀杆轴与密封阀座间上下交点处发生内漏的可能性。另一处偏心是指阀体过水孔中心与阀杆轴心左右偏移,即阀杆轴将蝶板分隔成一边多一边少两部分。这种偏心可使蝶板在开启关闭过程中能迅速地脱离或接近阀座,减少蝶板与密封阀座间的行程摩擦、降低磨损、减小开闭力矩、延长阀座的使用寿命。


相关产品: 电动高性能蝶阀    气动三偏心蝶阀    


上一篇:气动对夹卫生蝶阀 下一篇:没有了
?