免费全国空降app入口在哪里,同城100带吹电话,全国空降同城免费,怎么找到晚上接活女

  • 服务热线:021-51099973

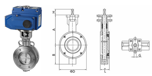
电动蝶阀

多仪阀门蝶阀电动蝶阀系列
电动高性能蝶阀

电动高性能蝶阀

  • 阀门型号:D972F,D942F
  • 通径规格:DN50~DN700
  • 结构形式:双偏心
  • 阀体材质:碳钢、不锈钢304、316、316L等
  • 公称压力:PN0.6、1.0、1.6、2.5、4.0MPa
  • 适用温度:-40℃-300℃
  • 应用范围:水、蒸汽、油品、腐蚀性介质
  • 产品特点:双偏置设计,摩擦少,密封性强,使用寿命长
电动高性能蝶阀简介:

     

电动双偏心蝶阀又称电动高性能蝶阀,是结合多种不同结构蝶阀优点,再进一步改良设计而成的新型蝶阀,该阀的蝶板外周和密封阀座均加工成半球面型,依靠蝶板外球面挤压密封阀座内球面,产生弹性变形,达到关紧的目的。其结构特征的设计,使阀门开启后,蝶板能迅即脱离阀座、大幅度消除了蝶板与阀座的过度挤压、刮擦,减轻了开启阻距、降低了磨损、提高了阀座寿命。

电动高性能蝶阀
电动高性能蝶阀结构:

     

电动高性能蝶阀阀座使用PTFE和分子量的聚乙烯为材料,唇式结构设计,不管流体的方向如何,变形后能恢复到原来的位置与碟板保持密封。这种蝶阀的阀板密封面为球弧面体,密封机构通过系统压力达到一种真正的动态密封,因此有优良的切断性能和耐久性能。

     

电动高性能蝶阀技术参数:

公称通径DN50~DN700(MM)
公称压力PN0.6、1.0、1.6、2.5、4.0MPa
连接方式对夹、法兰、凸耳
驱动形式电动AC220V、AC380V、DC24V等
密封材质PTFE
动作范围0~90度
结构形式双偏心
阀体材质碳钢、不锈钢304、316、316L等
温度范围-40℃-300℃
控制形式开关型、调节型

电动高性能蝶阀优点:

     

1、单一的PTFE弹性阀座密封结构,通过系统压力达到动态密封,经久耐用,可靠性高;

2、不必使用附加的密封圈或金属部件即能保持可靠密封;

3、可操持双向的无泄漏密封;

4、唇缘式密封设计补偿了使用时温度和压力的变化;

5、在开启和处于中间位置时阀座与蝶板不发生接触。

6、维修方便只要取下压板就可更换阀座,不必拆卸碟板和轴。


电动高性能蝶阀原理说明:

电动高性能蝶阀

电动双偏心蝶阀的结构特征为在阀杆轴心既偏离蝶板中心、也偏离本体中心。双偏心的效果使阀门被开启后蝶板能迅即脱离阀座、大幅度地消除了蝶板与阀座的不必要的过度挤压、刮擦现象、减轻了开启阻距、降低了磨损、提高了阀座寿命。阀座外面是活动的嵌件,法兰夹的越紧、压力越大密封性能越佳。更换阀座方便简单,只需取下嵌件就可取出阀座,不必拆卸阀板和阀轴。采用带有球形密封表面的双偏心蝶板,配以单片挠性唇式密封座,适用于要求可靠密封和良好调节特性的场合。


相关产品: 气动高性能蝶阀    电动三偏心蝶阀    


上一篇:电动对夹卫生蝶阀 下一篇:没有了
?