免费全国空降app入口在哪里,同城100带吹电话,全国空降同城免费,怎么找到晚上接活女

  • 服务热线:021-51099973

气动蝶阀

多仪阀门蝶阀气动蝶阀系列
气动调节蝶阀

气动调节蝶阀

  • 阀门型号:D671X,D641X,D673H,D643H
  • 通径规格:DN50~DN1200
  • 结构形式:中线型,双偏心,三偏心等
  • 阀体材质:铸铁、碳钢、不锈钢304、316、316L等
  • 公称压力:PN10、PN16、PN25、PN40
  • 适用温度:-40℃~450℃
  • 应用范围:水、气体、蒸气、油品、腐蚀性介质等
  • 产品特点:实现对介质流量、压力、温度等参数的调节控制
气动调节蝶阀简介:

 

气动调节蝶阀是通过输入控制信号后,利用气源驱动来调节碟板开度,从而控制介质流量大小的可调节型气动蝶阀,主要由蝶阀与气动执行器、阀门定位器及其它附件配套组合而成。气动调节蝶阀根据自动化系统中阀门定位器输入4-20MA的信号后,通过0.4-0.7MPa进气来调节阀门的开度大小,从而实现对管道中介质流量、压力、温度和液位等工艺参数的调节,是调节流量和截断流体的常用装置。气动调节蝶阀可根据工况需要选用不同密封件(软密封和硬密封),以满足于不同的使用要求,广泛应用于化工、环保、空气、水、燃气、蒸汽及含有腐蚀性介质的管道上。
气动调节蝶阀图片
气动法兰调节蝶阀                                    气动对夹式调节蝶阀
气动调节蝶阀原理:

 

气动调节蝶阀执行机构分为单作用和双作用,双作用为气开气关式,开启和关闭都需要气源压力,失气保持原位。而单作用为气关弹簧复位式和气开弹簧自动归位,一般分为??秃统1招?,其适用于要求现场发生故障或没有气源时,阀门需要快速关闭或打开的场所,用紧急切断或流通。

气动调节蝶阀技术参数:

 

公称通径DN50~DN1200(mm)
压力等级PN1.0、1.6、2.5、4.0MPa
连接方式法兰、对夹式
密封形式软密封或金属硬密封
驱动方式气源驱动,压缩空气4~7bar
动作范围0~90度
阀体材质铸铁、碳钢、不锈钢304、316、316L等
工作场合水、气体、蒸气、油品、腐蚀性介质等
温度范围软密封:-29℃~180℃ 硬密封:-40℃~450℃
控制方式装配阀门定位器,智能调节型(4~20mA模拟量信号)

气动调节蝶阀标准规范:

设计标准:GB/T2238-1989
结构长度:GB/T12221-1989   
压力试验:GB/T13927-2000;JB/T9092-1999  
法兰连接尺寸:GB/T9113.1-2000;GB/T9115.1-2000;

可调范围R:50:1
使用次数:100万次
回差:带定位器:小于全行程的2%
基本误差:带定位器:小于全行程的±2%
泄露量l/h:符合ANSI B16.104 IV级标准
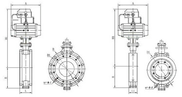
气动调节蝶阀结构图
  气动调节蝶阀(法兰式)          气动调节蝶阀(对夹式)

气动调节蝶阀执行器参数:

执行机构GT、AT、AW系列单双作用气动执行器
供气压力0.5~0.7MPa
气源接口G1/4"、G1/8"、G3/8"、G1/2"
环境温度-30~+70℃
作用形式双作用执行机构:气关式(B)--失气时阀位保持(FL);气开式(K)-- 失气时阀位保持(FL)
可选附件定位器、电磁阀、空气过滤减压器、保位阀、行程开关、阀位传送器、手轮机构等


相关产品: 电动调节蝶阀     气动风量调节蝶阀     气动开关蝶阀

上一篇:气动切断蝶阀 下一篇:气动通风蝶阀
?