电动调节蝶阀
- 阀门型号:D971X,D941X,D973H,D943H
- 通径规格:DN50~DN1200
- 结构形式:中线型,双偏心,三偏心
- 阀体材质:碳钢WCB、不锈钢304、316、316L
- 公称压力:PN10、PN16、PN25、PN40
- 适用温度:-30℃~450℃
- 应用范围:蒸汽、水、气体、油品、环保除尘、化工行业等
- 产品特点:操作方便,省力灵巧,可实现对介质参数的调节控制
电动调节蝶阀概述:
电动调节蝶阀主要由智能调节型电动执行器及蝶阀组成,根据输入4-20mA的模拟量信号或1-5V、0-10V的电流信号,从而达到对阀门开度的大小进行控制,可适用于各种工业自动化管道的流量、压力、温度等调节。电动调节蝶阀常用的连接方式主要有法兰和对夹式,阀门的流通能力较大,对常温、干净介质,可选用阀板加软密封(橡胶圈、四氟圈)来减少泄漏(可达零泄露),高温高压工况可选用硬密封阀体。

电动法兰调节蝶阀 电动对夹式调节蝶阀电动调节蝶阀特点:
1、设计新颖、合理、结构独特,重量轻,启闭迅速。
2、调节型电动蝶阀操力矩小,操作方便,省力灵巧。
3、可采用不同密封座,满足低、中、高不同压力,以及不同介质温度或腐蚀性介质等。
4、执行器配有?;ぷ爸糜兴叵尬?、过热保护、过载保护。
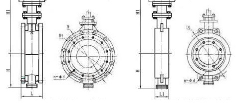
5、智能数控,内置??椴捎孟冉扑慊テ爸悄芸刂迫砑苯咏邮占扑慊蚬ひ狄潜淼壬璞甘涑龅谋曜夹藕?,实现对阀门开度的智能控制和精确定位。电动调节蝶阀标准规范: 设计标准【GB/T12238-1989 JB/T8692-1998】 法兰连接尺寸【GB/T9115.1-2000】 结构长度【h:GB/T12221-1989】 压力试验【GB/T13927-1992;JB/T9092-1999】 |  电动法兰调节蝶阀结构图 电动对夹式调节蝶阀结构图 |
电动调节蝶阀技术参数:公称通径 | DN50~DN1200(mm) |
|
|
公称压力 | PN0.6、1.6、2.5、4.0MPa |
|
|
连接形式 | 对夹式、法兰式 |
|
|
操作方式 | 电动控制 |
|
|
密封形式 | 金属硬密封,软密封 |
|
|
电源电压 | AC220V、AC380V、DC24(其他定制) |
|
|
信号反馈 | 有源信号、S无源信号 |
|
|
手动功能 | 可根据需要装配手动开阀、关阀功能 |
|
|
适用温度 | -30℃~450℃ |
|
|
动作时间 | 15秒/30秒/60秒 |
|
|
可调范围 | 50:1 |
|
|
应用场所 | 蒸汽、水、气体、油品、环保除尘、化工行业等 |
控制形式 | 智能调节(4-20mA、1-5V、0-10V) |
相关产品: 气动调节蝶阀 电动风量调节蝶阀 电动开关蝶阀