免费全国空降app入口在哪里,同城100带吹电话,全国空降同城免费,怎么找到晚上接活女
服务热线:021-51099973
首页
走进多仪
公司简介
企业文化
企业荣誉
球阀
电动球阀
气动球阀
蝶阀
电动蝶阀
气动蝶阀
闸阀
电动闸阀
气动闸阀
截止阀
电动截止阀
气动截止阀
调节阀
电动调节阀
气动调节阀
自力式调节阀
新闻资讯
新闻动态
球阀图片
蝶阀图片
闸阀图片
截止阀图片
调节阀图片
阀门知识
球阀知识
蝶阀知识
闸阀知识
截止阀知识
调节阀知识
通用阀门知识
联系我们
阀门知识
球阀知识
蝶阀知识
闸阀知识
截止阀知识
调节阀知识
通用阀门知识
热门知识
阀门图例|阀门图形符号
阀门型号编制(表示方法),阀门型号含义
截止阀和闸阀的区别 闸阀与截止阀的区别
气动调节阀工作原理图
球阀的工作原理(图)
阀门的种类及阀门分类
阀门标准(GB) 阀门国家标准
蝶阀的工作原理(图)
通用阀门知识
多仪
阀门
–
阀门知识
–
通用阀门知识
电动阀门接线方式说明
时间:2019-11-08 11:00:28 来源:多仪阀门 点击:
0
次
电动阀门接线方式是根据不同的使用要求以及现场工况不同所分类的,不同功能的电动执行器所采用的接线方式也都是不尽相同。用户应当对接线方面的相关知识有所了解,以免出现不必要的故障发生,一方面导致整个电路短路故障;另一方面,可能会导致机器等烧坏而产生的巨大经济损失,甚至出现更严重的事故。
电动阀门执行器按电源电压一般可分交流(AC110V、
AC220V
、
AC380V
),直流(
DC24V
、DC12V),按控制方式分为有源开关式、无源开关式、电位计型、防爆型、调节型等。(相关产品:
电动开关蝶阀
电动调节蝶阀
电动开关球阀
电动调节球阀
)
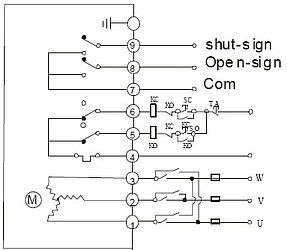
有源开关式
,普通开关型带有源灯指示接线图
无源开关式
,开关型无源触点型带反馈接线图
开度式电位计型
,开关型带开度式接线图
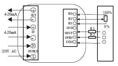
智能调节式
,输入输出4-20mA,智能调节型接线图
交流AC380V
,带无源触点反馈,380V电源接线图
直流DC24V
,交换正负正开关同时无源信号反馈,24V电源接线图
注意:以上线路图仅供参考,实际以产品附带电路图为准。另,每个厂家的电动装置均不一样,接线方式也都不尽相同,请勿以此为标准去执行操作,若产生一系列问题及发生相关事故,本公司概不负责,还望悉知!
上一篇:
电动阀门与气动阀门的区别及选用
下一篇:
阀门密封件(圈)材质使用范围对照表
气动衬胶蝶阀
气动卡箍球阀
自力式阀后压力调节阀
电动放料球阀
电动伸缩蝶阀
电动粉体蝶阀
气动薄膜角式调节阀
气动PP球阀
不锈钢气动蝶阀
电动PP球阀
电动双座调节阀
气动薄膜小流量调节阀
?
版权所有 © 多仪阀门www.beidie.cn
沪ICP备14049028号
电话:021-51099973 传真:021-61294000 邮箱:doooyi@163.com
公司地址:上海市奉贤区青港工业区
网站地图